ellie@jsbd.com
+86-519-88503010
తెలుగు
English
Монгол хэл
Gàidhlig
Hawaiian
Lëtzebuergesch
Español
Português
русский
français
日本語
Deutsch
Tiếng Việt
Italiano
Nederlands
ไทย
Polski
한국어
Svenska
magyar
Malay
বাংলা
Dansk
Suomi
हिन्दी
Pilipino
Türk
Gaeilge
عربى
Indonesia
norsk
اردو
čeština
Ελληνικά
Українська
Javanese
فارسی
தமிழ்
తెలుగు
नेपाली
Burmese
български
ລາວ
Latine
Қазақ
Euskal
Azərbaycan
slovenský
Lietuvos
Slovenski
Српски
Restore
హోమ్
మా గురించి
మన చరిత్ర
మా ఫ్యాక్టరీ
ఉత్పత్తి అప్లికేషన్
మా సర్టిఫికేట్
ఉత్పత్తి సామగ్రి
ఉత్పత్తి మార్కెట్
మా సేవ
ఉత్పత్తులు
అధిక పీడన లామినేట్
కాంపాక్ట్ లామినేట్
రసాయన నిరోధక బోర్డు
ఫైర్ రిటార్డెంట్ బోర్డు
వార్తలు
కంపెనీ వార్తలు
రంగు సేకరణ
డౌన్లోడ్ చేయండి
కంపెనీ వార్తలు
రంగు సేకరణ
రంగు సేకరణ
మమ్మల్ని సంప్రదించండి
హోమ్
>
న్యూస్
> కంపెనీ వార్తలు
న్యూస్
రంగు సేకరణ
కంపెనీ వార్తలు
కొత్త ఉత్పత్తులు
అధిక పీడన అలంకార లామినేట్
కాంపాక్ట్ లామినేట్ కౌంటర్టాప్
లేబొరేటోరియల్ కెమికల్ రెసిస్టెంట్ బోర్డ్
పోస్ట్ఫార్మింగ్ హై ప్రెజర్ లామినేట్
అన్ని కొత్త ఉత్పత్తులు
కంపెనీ వార్తలు
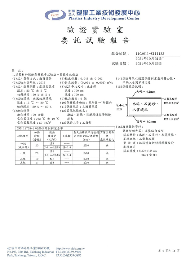
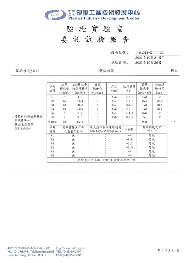
మా ఫైర్-రిటార్డెంట్ బోర్డు తైవాన్లో CNS 14705-1 పరీక్షను విజయవంతంగా ఆమోదించింది.
2022-01-12
మా ఫైర్ రిటార్డెంట్ బోర్డు CNS 14705-1 పరీక్షను తైవాన్లో విజయవంతంగా ఆమోదించింది.
మునుపటి:
కిచెన్ బోర్డ్ను ఎలా ఎంచుకోవాలి?
తరువాత:
మార్బుల్ బ్యాక్గ్రౌండ్ వాల్
+86-519-88503010
ellie@jsbd.com